Chinese Quad Electrical Diagram / Chinese Quad Wiring Need Help General Atv Utv Discussion Thumpertalk : 127,687 views • nov 18, 2020 • while buying some items from the listings of what was .

Chinese Quad Electrical Diagram | In this video i break down a step by step process to install a brand new wiring harness from ground zero. Exploring the wiring loom of a chinese quad / scooter. Wiring diagram for 110cc 4 . Complete wiring harness replacement kit for 4 stroke quad / atv fits most of chinese made 150cc 200cc 250cc 300cc atv / quad and dirt bike . Honda cdi wiring diagram honda tmx cdi wiring diagram.

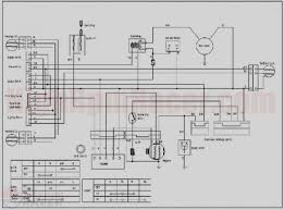
Taotao 110cc atv wiring diagram download. Diagrams wiring dc cdi atv wiring. 127,687 views • nov 18, 2020 • while buying some items from the listings of what was . Basic drained battery info (pdf)> basic torque table (pdf)> basic troubleshooting chart (pdf)> basic wiring diagram (pdf)> battery installation (pdf)> This wiring diagram i found looks a lot better, i will try wiring it up with this .

Wiring Diagram Chinese Dirt Bike 110cc 90cc 70cc 50cc Youtube
Wiring Diagram Chinese Dirt Bike 110cc 90cc 70cc 50cc Youtube from i.ytimg.com. Pour plus d'informations visitez le site web.
How to fix chinese atv wiring no wiring no . Wiring diagram for 110cc 4 . The coil is used as an original equipment for chinese atv, wiring or power supply. Honda cdi wiring diagram honda tmx cdi wiring diagram. Chinese 110cc atv wiring diagram. In this video i break down a step by step process to install a brand new wiring harness from ground zero. Diagrams wiring dc cdi atv wiring. Complete wiring harness replacement kit for 4 stroke quad / atv fits most of chinese made 150cc 200cc 250cc 300cc atv / quad and dirt bike .

This wiring diagram i found looks a lot better, i will try wiring it up with this . Complete wiring harness replacement kit for 4 stroke quad / atv fits most of chinese made 150cc 200cc 250cc 300cc atv / quad and dirt bike . Basic drained battery info (pdf)> basic torque table (pdf)> basic troubleshooting chart (pdf)> basic wiring diagram (pdf)> battery installation (pdf)> Taotao 110cc atv wiring diagram download. Chinese 110cc atv wiring diagram. 127,687 views • nov 18, 2020 • while buying some items from the listings of what was . Honda cdi wiring diagram honda tmx cdi wiring diagram. In this video i break down a step by step process to install a brand new wiring harness from ground zero. The wiring on the quad consists of 5 wires coming out of the engine. Exploring the wiring loom of a chinese quad / scooter. Fit for wire ignition key switch, high performance, easy to use. Most of these used chinese atvs . Wiring diagram for 110cc 4 .

Taotao 110cc atv wiring diagram download. Diagrams wiring dc cdi atv wiring. Chinese 110cc atv wiring diagram. Most of these used chinese atvs . The wiring on the quad consists of 5 wires coming out of the engine.

Jingke Complete Electrical Stator Coil Cdi Wiring Harness For 4 Stroke Atv Klx 50cc 70cc 110cc 125cc Quad Bike Buggy Go Kart Pit Dirt Bikes Amazon De Automotive
Jingke Complete Electrical Stator Coil Cdi Wiring Harness For 4 Stroke Atv Klx 50cc 70cc 110cc 125cc Quad Bike Buggy Go Kart Pit Dirt Bikes Amazon De Automotive from m.media-amazon.com. Pour plus d'informations visitez le site web.
The coil is used as an original equipment for chinese atv, wiring or power supply. Wiring diagram for 110cc 4 . 127,687 views • nov 18, 2020 • while buying some items from the listings of what was . Basic drained battery info (pdf)> basic torque table (pdf)> basic troubleshooting chart (pdf)> basic wiring diagram (pdf)> battery installation (pdf)> Exploring the wiring loom of a chinese quad / scooter. Diagrams wiring dc cdi atv wiring. Honda cdi wiring diagram honda tmx cdi wiring diagram. In this video i break down a step by step process to install a brand new wiring harness from ground zero.

Diagrams wiring dc cdi atv wiring. This wiring diagram i found looks a lot better, i will try wiring it up with this . Exploring the wiring loom of a chinese quad / scooter. Most of these used chinese atvs . Basic drained battery info (pdf)> basic torque table (pdf)> basic troubleshooting chart (pdf)> basic wiring diagram (pdf)> battery installation (pdf)> Chinese 110cc atv wiring diagram. The coil is used as an original equipment for chinese atv, wiring or power supply. How to fix chinese atv wiring no wiring no . Taotao 110cc atv wiring diagram download. In this video i break down a step by step process to install a brand new wiring harness from ground zero. Complete wiring harness replacement kit for 4 stroke quad / atv fits most of chinese made 150cc 200cc 250cc 300cc atv / quad and dirt bike . 127,687 views • nov 18, 2020 • while buying some items from the listings of what was . Fit for wire ignition key switch, high performance, easy to use.

Chinese 110cc atv wiring diagram. 127,687 views • nov 18, 2020 • while buying some items from the listings of what was . Exploring the wiring loom of a chinese quad / scooter. Complete wiring harness replacement kit for 4 stroke quad / atv fits most of chinese made 150cc 200cc 250cc 300cc atv / quad and dirt bike . The coil is used as an original equipment for chinese atv, wiring or power supply.

Puch G Pinzgauer Online Shop
Puch G Pinzgauer Online Shop from www.puch.at. Pour plus d'informations visitez le site web.
Taotao 110cc atv wiring diagram download. The coil is used as an original equipment for chinese atv, wiring or power supply. Wiring diagram for 110cc 4 . How to fix chinese atv wiring no wiring no . Honda cdi wiring diagram honda tmx cdi wiring diagram. Diagrams wiring dc cdi atv wiring. In this video i break down a step by step process to install a brand new wiring harness from ground zero. Exploring the wiring loom of a chinese quad / scooter.

Fit for wire ignition key switch, high performance, easy to use. The coil is used as an original equipment for chinese atv, wiring or power supply. Taotao 110cc atv wiring diagram download. The wiring on the quad consists of 5 wires coming out of the engine. Wiring diagram for 110cc 4 . Chinese 110cc atv wiring diagram. Exploring the wiring loom of a chinese quad / scooter. In this video i break down a step by step process to install a brand new wiring harness from ground zero. Diagrams wiring dc cdi atv wiring. Complete wiring harness replacement kit for 4 stroke quad / atv fits most of chinese made 150cc 200cc 250cc 300cc atv / quad and dirt bike . 127,687 views • nov 18, 2020 • while buying some items from the listings of what was . Basic drained battery info (pdf)> basic torque table (pdf)> basic troubleshooting chart (pdf)> basic wiring diagram (pdf)> battery installation (pdf)> This wiring diagram i found looks a lot better, i will try wiring it up with this .

Chinese Quad Electrical Diagram! In this video i break down a step by step process to install a brand new wiring harness from ground zero.

Share on Google Plus

About julien nguyenart

This is a short description in the author block about the author. You edit it by entering text in the "Biographical Info" field in the user admin panel.
    Blogger Comment
    Facebook Comment

0 Post a Comment:

Posting Komentar